绿宝石主编、福万家参编的《石墨改性水泥基保温板(碳硅板)外墙内保温系统建筑构造》标准现已发布实施!
行业标准的制定工作,是行业发展中的探索和创新,是市场发展的需要,对行业的发展具有非常重要的指导促进作用。
2021年3月2日,由上海市建设协会提交的《石墨改性水泥基保温板(碳硅板)外墙内保温系统建筑构造》,编号为T/SCDA061-2021,经审查正式批准发布,并于2021年3月3日起正式执行,有效期3年。

绿宝石和福万家分别作为标准的主编单位和参编单位积极利用自身的行业经验和技术优势,全程参与了标准的编制工作。



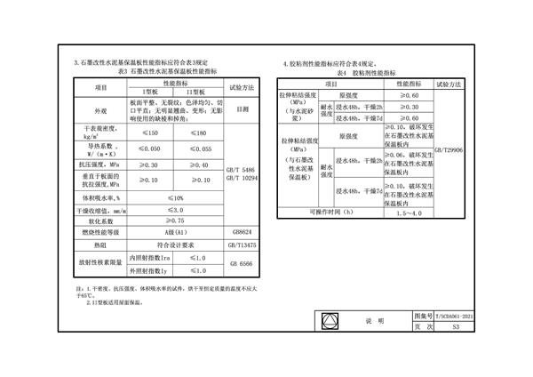
(“碳硅板”)是以水泥为主要胶凝材料,成孔材料、纤维增强材料、外加剂、水等为主要材料,经搅拌、浇筑成型、养护、切割、表面处理等工艺制成,外观呈黑色的轻质保温板材。
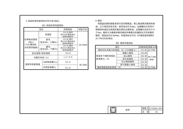
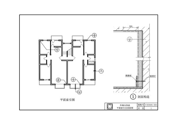
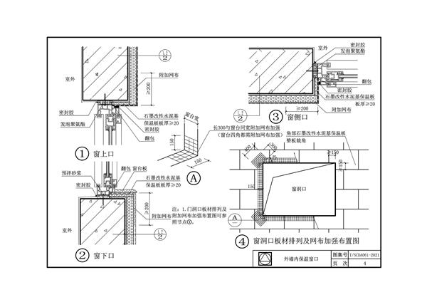
(碳硅板)外墙内保温系统建筑构造(简称“内保温系统”)是以石墨改性水泥基保温板(碳硅板)为保温层材料,由粘结层(胶粘剂)、保温层、抹面层(抹面砂浆+耐碱涂覆网布)、锚栓组成,固定在外墙内侧的保温构造。




















作为建筑外墙保温产业中的优质企业,福万家和绿宝石坚持自主创新的发展模式,积极探索。多年的行业深耕使福万家和绿宝石拥有雄厚的技术实力和丰富的实际生产经验,在本次标准的编制工作中,福万家和绿宝石依据行业发展现状,结合企业项目经验与核心技术,为新标准的编制献计献策。
未来,福万家和绿宝石将继续在专业的领域上执着坚守,持续技术创新和新品研发,积极参加相关标准的制修订工作,为推动建筑外墙保温产品行业规范化发展贡献更大的力量。
《石墨改性水泥基保温板(碳硅板)外墙内保温系统建筑构造》标准的发布是行业经验和思想汇聚的一次结晶,为行业更好的发展提供了标准和依据,有效的促进优质高质项目的产出,促进了行业良性健康的发展。
江苏尊龙凯时人生就搏节能集团有限公司旗下公司主要生产销售:石墨改性水泥基保温板、复合发泡水泥板、非烧结泡沫玻璃保温板、非烧结发泡陶瓷保温板、各类工程纤维、聚丙烯纤维、高强丙纶丝、丙纶线。
您还想了解更多产品信息,请联系:王龙先生 18936303770 网址:https://www.jinhairong.com
江苏尊龙凯时人生就搏节能集团有限公司愿与您精诚合作,共筑未来。
- 【尊龙凯时人生就搏新闻】赵其军董事长参加县民促会第六次轮值活动
- 【温尔雅新闻】“凝青向新 共商未来”温尔雅公司连任盐城市青商会会员单位
- 【丝丝缘新闻】调研春风暖企心 政企携手谋新篇
- 【尊龙凯时人生就搏新闻】射阳县书法家协会2025年春联书法作品展隆重开幕,尊龙凯时人生就搏节能集团助力传统文化传承
- 【尊龙凯时人生就搏新闻】县民促会迎新年会圆满举行
- 【丝丝缘新闻】领导关怀暖新春 公司发展启新程
- 尊龙凯时人生就搏节能集团2024精彩回顾 | 龙戏宝珠辞旧岁,蛇衔瑞草贺新年,祝您和家人蛇年大吉大利,四季平安!
- 【尊龙凯时人生就搏新闻】赵其军董事长参加并主持县民促会“民企诚信建设活动”
- 【温尔雅新闻】赵越参加“江苏·盐城2024沿海人才发展大会”并上台领取证书!
- 【温尔雅新闻】热烈祝贺温尔雅公司顺利通过“江苏省高新技术企业”认定!